ГИБКИЕ МУФТЫ серии RSK-rupex rwn для высокоскоростных приводов компенсируют перекос валов
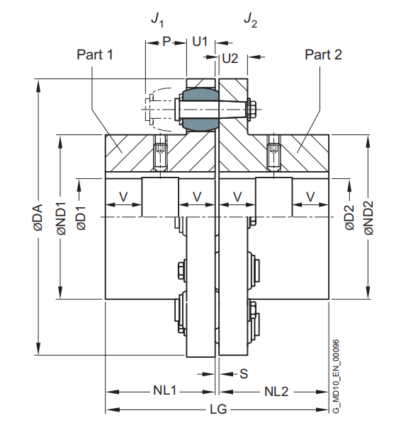
Муфты со штифтом и втулкой RSK-rupex соединяют валы машин и компенсируют несоосность валов с помощью слабых восстанавливающих сил. Крутящий момент передается через эластомерные буферы, поэтому муфта обычно обладает свойствами гибкой резины.
Муфты RSK-rupex также могут выдерживать нагрузки при перегрузке и поэтому особенно подходят для приводов, к которым предъявляются особые требования безопасности и надежности.
Ударные нагрузки и изменяющиеся нагрузки не являются проблемой для прочных и компактных гибких муфт RUPEX.
Стальной вариант также особенно подходит для высокоскоростных приводов.
Муфты RSK-rupex устанавливаются путем соединения полумуфт. Установка с низким крутильным люфтом упрощается за счет бочкообразной геометрии буферов.
Муфты RUPEX не требуют особого обслуживания. Замене подлежат только эластомерные буферы, которые являются изнашиваемыми деталями, и для этого не нужно перемещать соединенные машины.
Муфты RUPEX подходят для реверсивного режима работы, а также для горизонтальной и вертикальной установки или установки под любым необходимым углом.
Муфты RSK-rupex доступны в качестве стандартного каталога в 26 размерах с номинальным крутящим моментом от 200 Нм до 1690 000 Нм.
Муфта пригодна для использования при температуре окружающей среды от -30 °C до 80 °C. Благодаря использованию альтернативных эластомерных буферов допустимый диапазон температуры окружающей среды можно расширить до температуры от -50 °C до 100 °C.
Часто муфта используется для соединения вала-шестерни с ведомой машиной. В случае приводов без редукторов муфта особенно подходит для работы в тяжелых условиях или для тяжелых приводов с приводом от электродвигателя. Типичными сферами применения являются приводы вентиляторов с большой массой вентилятора и приводы в цементной промышленности.
Примерами областей применения, особенно важных с точки зрения безопасности, являются приводы канатных дорог, подъемные механизмы для приводов кранов или приводы эскалаторов

English













