RSK-zapex Серия zw-zwn, ТОРСИОННО-ЖЕСТКИЕ ЗУБЧАТЫЕ МУФТЫ Стандартная конструкция DIN
Зубчатая муфта RSK-zapex — механическое устройство, предназначенное для соединения двух вращающихся валов в системе передачи мощности. Он состоит из взаимосвязанных внешних и внутренних зубьев шестерни, которые передают крутящий момент через поверхностный контакт. В отличие от простых жестких муфт, зубчатая муфта RSK-zapex допускает небольшое смещение валов, помогая защитить оборудование от нагрузок и преждевременного износа, сохраняя при этом высокую точность передачи.
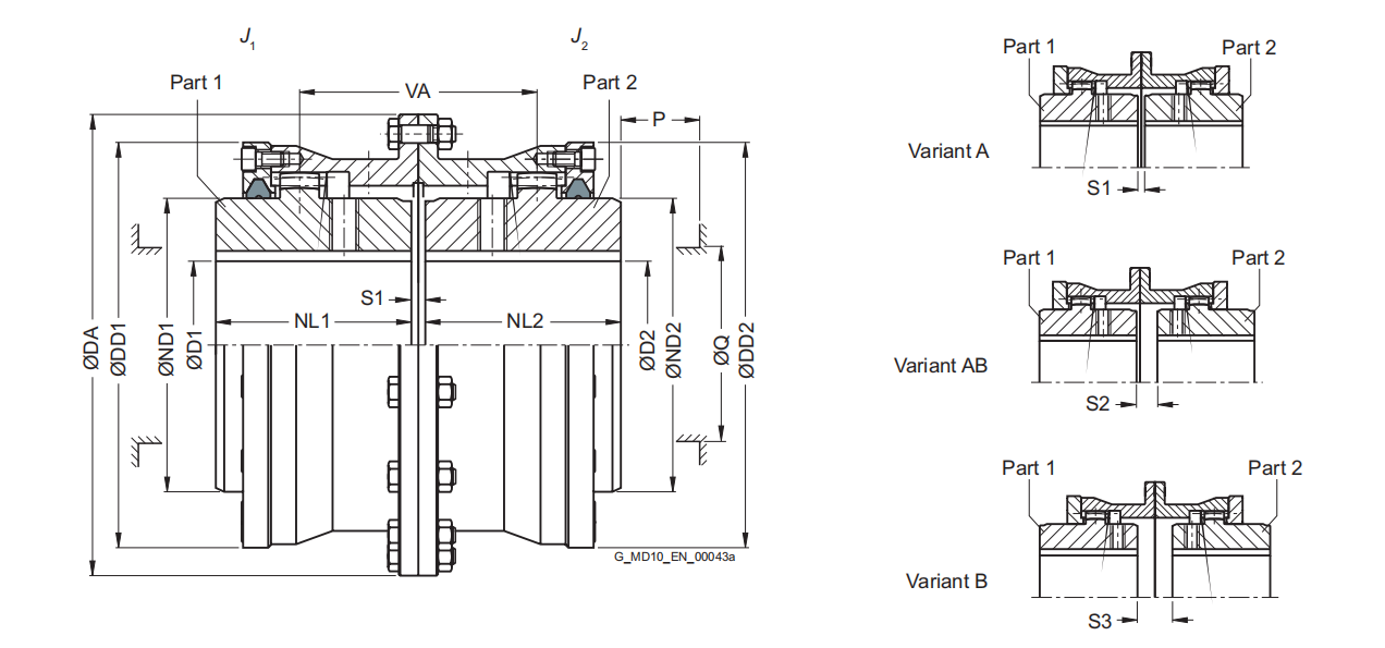
Принцип работы
Зубчатая муфта RSK-zapex работает по принципу передачи крутящего момента за счет зубчатого зацепления. Две ступицы, каждая из которых имеет внешние корончатые зубья, входят в зацепление с соответствующими внутренними зубьями в компонентах втулки или фланца. Когда крутящий момент прикладывается к одному валу, он передается через зацепленные зубья на второй вал.
Корончатый профиль зуба компенсирует незначительные смещения, допуская небольшое угловое перемещение между зубами, сохраняя при этом полный контакт по бокам. Такая конструкция обеспечивает высокую эффективность передачи крутящего момента и помогает поглощать удары и вибрацию, улучшая производительность и долговечность системы.
Структура и состав
Типичная муфта RSK-zapex включает в себя следующие компоненты:
Две ступицы с внешними зубьями: каждая установлена на соответствующих валах; зубы обычно имеют коронку, чтобы компенсировать угловое смещение.
Внутренние зубчатые втулки (или фланцы): соединяются со ступицами посредством прецизионного зацепления шестерни.
Уплотнительные кольца и прокладки: предотвращают утечку смазки и защищают зубья от загрязнения.
Высокопрочные крепежи. Закрепите фланцевые втулки и сохраните структурную целостность под нагрузкой.
Стальная конструкция: для изготовления ступиц и втулок используется высококачественная легированная сталь, часто подвергаемая термической обработке для повышения прочности и износостойкости.
Система смазки: Обычно смазывается консистентной смазкой для уменьшения трения и продления срока службы зубьев шестерни.
Ключевые особенности и преимущества
Трансмиссия с высоким крутящим моментом: разработана для работы с нагрузками с большим крутящим моментом даже в компактных конфигурациях.
Стандартная конструкция DIN: Взаимозаменяемы с другими стандартными зубчатыми муфтами, что облегчает интеграцию и замену.
Компенсация несоосности: компенсирует угловое, осевое и небольшое радиальное смещение между соединенными валами.
Демпфирование ударов и вибраций: снижает ударные нагрузки на подключенное оборудование во время запуска или работы с переменной скоростью.
Длительный срок службы: Прочная стальная конструкция и эффективная смазка обеспечивают длительную эксплуатацию в тяжелых условиях.
Минимизация люфта: Точная геометрия зубьев обеспечивает плавную работу и минимальный люфт.
Простота обслуживания: смазываемые консистентной смазкой зубья и доступная конструкция позволяют проводить осмотр и обслуживание без демонтажа всей системы.
Настраиваемые конфигурации: могут быть адаптированы для вертикальной или горизонтальной установки, условий высокой скорости или высоких температур.

English












