RSK-SWC-WD Производство по индивидуальному заказу, без телескопической короткой универсальной шарнирной муфты
Универсальная шарнирная муфта (также известная как карданный шарнир, шарнир Гука или U-образный шарнир) является фундаментальным компонентом, широко используемым в системах механического привода. Его основная функция — соединение двух валов, оси которых не лежат на одной прямой, и передача между ними крутящего момента и вращательного движения. Принцип его работы основан на механизме сферической связи, позволяющем соединенным валам образовывать определенный прилежащий угол (обычно до 15–20 °) в плоскости и компенсирующий незначительное осевое, радиальное и угловое смещение.
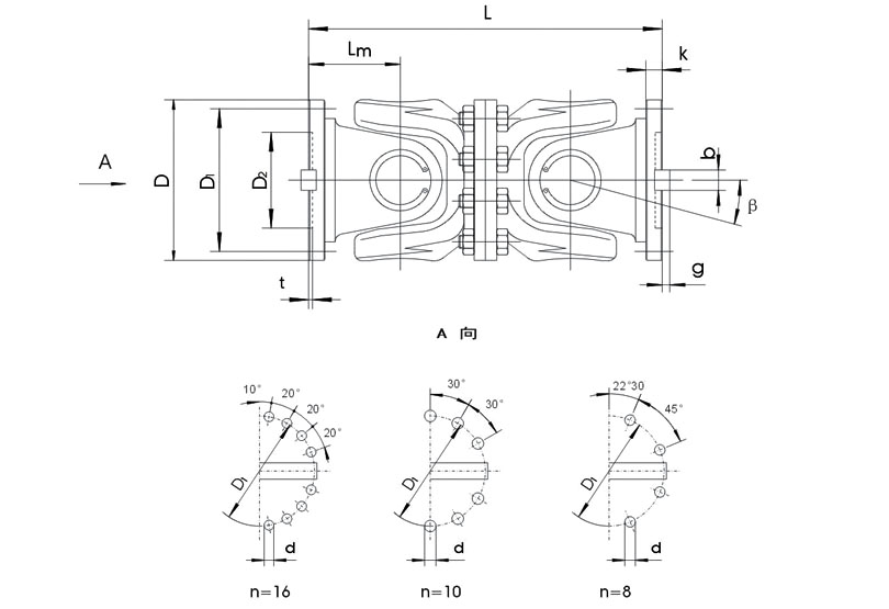
Типичная одинарная карданная муфта в основном состоит из следующих компонентов:
Хомут (ведущий хомут и ведомый хомут): концы вилок U-образной или вилочной формы прикреплены к валам.
Крестовой вал/паук (крестообразный): основной компонент, состоящий из четырех цапф, расположенных крестообразно.
Игольчатые роликоподшипники/подшипники скольжения: устанавливаются между шейками поперечного вала и отверстиями вилки для уменьшения трения и износа.
Крышка подшипника/стопорное кольцо (стопорное кольцо): используется для фиксации и уплотнения подшипников, предотвращая их разборку.
Чтобы преодолеть колебания скорости, присущие одному шарниру, в инженерной практике обычно используется последовательно соединенное «двойное универсальное соединение». Эта установка должна соответствовать правилу установки, согласно которому «углы входного и выходного валов относительно промежуточного вала равны, а траверсы на обоих концах промежуточного вала лежат в одной плоскости» для достижения передачи постоянной скорости.
Компенсирует большое угловое смещение:
Его самое заметное преимущество. Один шарнир может выдерживать относительно большой рабочий угол (обычно 15–25°, в специальных конструкциях до 35°), что делает его идеальным для соединения валов со значительными ошибками при установке или подверженных относительному перемещению во время работы.
Компактный дизайн с высокой грузоподъемностью:
Относительно простая, но прочная конструкция, часто выкованная из высокопрочной легированной стали. Способен передавать очень высокий крутящий момент, подходит для тяжелонагруженного оборудования (например, прокатных станов, кораблей, горнодобывающего оборудования).
Высокая эффективность передачи:
При использовании игольчатых роликоподшипников потери на трение минимальны, а КПД достигает 98–99,9%.
Высокая надежность и относительно простое обслуживание:
Прочный и долговечный, с длительным сроком службы при правильной смазке. Неисправности обычно проявляются в виде износа поперечного вала или подшипников, которые сравнительно легко заменить.
Подходит для суровых условий:
Может работать в пыльных, влажных условиях или в средах с перепадами температур при наличии защитных крышек или уплотнений.
Основные области применения:
Автомобильная промышленность: системы карданного вала, соединяющие трансмиссию с ведущим мостом.
Металлургическое оборудование: Приводные механизмы прокатных станов, правильных машин.
Строительная техника: места, где требуется передача мощности под большим углом на кранах, экскаваторах, автобетононасосах и т. д.
Бумажное оборудование, морская промышленность, тяжелое горнодобывающее оборудование: оборудование, передающее высокий крутящий момент и приводящее к смещению валов.

English












