RSK-lz Эластичная штифтовая зубчатая муфта передает высокий крутящий момент и компенсирует большой рабочий объем
Корончатое/прямое зубчатое зацепление: используется для передачи высокого крутящего момента и обеспечения возможности компенсации большого угла и большого смещения.
Гибкий штифт в сборе: обычно расположен на торцевой поверхности или по окружности зубчатой втулки, действуя как вторичный или параллельный путь передачи/демпфирования усилия. Его основные функции могут включать в себя:
Поглощает высокочастотные вибрации и ударные нагрузки, защищая зубья шестерен.
Обеспечение мягкой амортизации при трогании с места и торможении, снижение ударного момента на шестернях.
Обеспечение дополнительного демпфирования крутильных колебаний, улучшающего динамические характеристики системы привода.
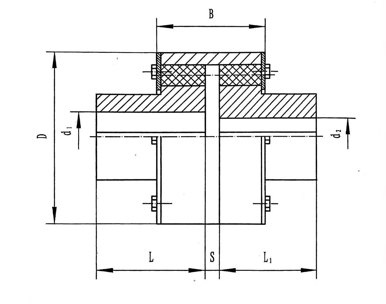
Базовая структура
Путь передачи главного усилия: две фланцевые полумуфты с внутренними (или внешними) шестернями входят в зацепление с промежуточной зубчатой втулкой с корончатыми внешними (или внутренними) шестернями. Это формирует первичную передачу крутящего момента и механизм компенсации несоосности.
Вспомогательный путь демпфирования: между зубчатой втулкой и одним фланцем или между двумя фланцами устанавливается кольцо из штифтов из нейлона (или легированной стали). Эти штифты оснащены резиновыми/полиуретановыми эластомерами. Эта часть представляет собой параллельную ступень упругого демпфирования.
Смазка и уплотнение: Зубья шестерни требуют хорошей смазки (консистентной смазки или масла), тогда как секция штифта обычно не требует смазки. Поэтому вся муфта требует сложного разделения по отсекам для предотвращения загрязнения упругих элементов смазкой.
Структурное исполнение:
Внешние края двух фланцев полумуфты и внутренний край внешней втулки выполнены в канавки в форме полуэлемента с одинаковым радиусом, объединенные с образованием отверстий под штифты колонны для вставки штифтов колонны. Полумуфта ведущего вала приводит во вращение наружную втулку через палец колонны, а внешняя втулка приводит во вращение полумуфту ведомого вала через палец колонны для передачи крутящего момента.
Рабочая температура -20℃~70℃.
Ключевые характеристики
Сосуществование высокого крутящего момента и высокого демпфирования: теоретически способно одновременно отвечать двойным строгим требованиям трансмиссии для тяжелых условий эксплуатации и изоляции сильных ударов/вибраций.
Защищает основные шестерни: гибкие штифты действуют как «первая линия защиты», поглощая большинство кратковременных ударов, потенциально значительно продлевая срок службы дорогой зубчатой втулки.
Адаптируется к сложным условиям эксплуатации: может подходить для применений с сильными колебаниями крутящего момента, частыми циклами пуска-останова или сосуществованием перекоса и вибрации.
Основные области применения
Соединение двигателя и генератора в дизель-генераторных установках большой мощности, требующее подавления низкочастотных крутильных колебаний и устойчивости к ударам.
Системы привода гидравлических насосов в тяжелой машиностроительной технике (например, больших экскаваторах).
Системы электропередачи специализированных судов, требующие высокой надежности и ударостойкости.
Приводная часть высококлассного испытательного оборудования, требующего точной передачи и изоляции вибрации от источника питания.

English












