Bjs-A Синхронные и водонепроницаемые и водонепроницаемые телескопические синхронные универсальные муфты
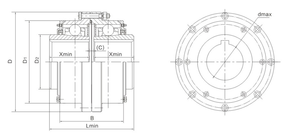
Эта пылепроницаемая и водонепроницаемая синхронная универсальная муфта в стиле телескопического фонаря предназначена для сложных условий труда и эффективно решает проблему, что традиционные муфты легко влияют на пыль и водяной пары. Его уникальная телескопическая структура позволяет валу гибко расширять и сжимать в пределах определенного диапазона, компенсирует ошибки установки и изменения смещения во время работы оборудования и обеспечивает стабильность передачи.
Корпус муфты изготовлен из высокопрочного сплава и обладает хорошей устойчивостью к износу и коррозионной устойчивостью после специальной обработки. Высококачественные герметизирующие элементы настроены в ключевых деталях в сочетании с жесткой конструктивной конструкцией, образуя надежный пыльно-протешенный и водонепроницаемый барьер, который может нормально работать в суровых условиях, таких как пыльный, влажный и даже под водой, и значительно продлевает срок службы.
Конструкция в стиле фонаря не только придает муфте уникальный вид, но и улучшает способность передачи крутящего момента и производительность синхронизации. Внутренний механизм точной синхронизации гарантирует, что мастер и подчиненные валы поддерживают синхронную работу под разными углами, уменьшают ошибки передачи и подходят для оборудования с высокими требованиями точности передачи.
С точки зрения установки и технического обслуживания, соединение является умно разработанным и простым в установке, что может снизить затраты на установку и время. Ежедневное техническое обслуживание простое, сокращение времени простоя и повышение эффективности производства. Он широко используется в производственных линиях промышленной автоматизации, упаковочном оборудовании, горнодобывающем оборудовании, судостроении и других областях, и является идеальным выбором для повышения производительности и надежности оборудования. .

English











