RQL-H Высокопроницаемые телескопические синхронные универсальные муфты типа фонаря
Синхронная синхронная муфта типа с телескопическим фонарем-это компонент передачи, который сочетает в себе инновационный дизайн и превосходную производительность, предназначенную для удовлетворения строгих требований современной промышленности для эффективной и стабильной передачи энергии.
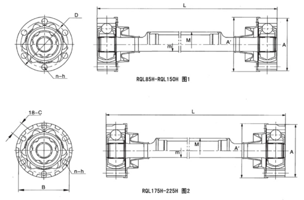
Связь применяет уникальную структуру типа фонаря и состоит из множества компонентов, отобранных точности. Его основное тело включает в себя ключевые компоненты, такие как поперечный вал, головка вилки и телескопическая пара сплайн. Поперечный вал обладает отличной прочностью и износостойкой устойчивостью после специального процесса термической обработки, гарантируя, что он может оставаться стабильным при операции с высокой нагрузкой. Голова вилки компактная и жесткая в конструкции, эффективно передавая крутящий момент. Пара телескопической сплайны является ядром осевой телескопической функции. Благодаря точному сопоставлению зубов, это не только обеспечивает плавность телескопического процесса, но и сохраняет высокую коаксиальность во время телескопической работы.
При работе эта связь может гибко адаптироваться к угловым отклонениям и осевым смещению между двумя валами. Когда активный вал вращается, головка вилки приводится в движение поперечным валом, а затем мощность передается на приводной вал для достижения синхронной работы. Во время работы оборудования, если два вала имеют относительное осевое смещение, телескопическая пара сплайнов может автоматически регулировать, а телескопическое действие может быть завершено без остановки, обеспечивая непрерывность передачи.
С точки зрения производительности, он обладает чрезвычайно высокой точностью, и точность динамического баланса может достигать G2.5, что эффективно снижает вибрацию и шум и продлевает срок службы оборудования. Он обладает сильной грузоподъемностью и может противостоять большому крутящему моменту, который подходит для высокоскоростной и тяжелой нагрузки. В то же время, хорошая конструкция уплотнения может предотвратить вторжение пыли и примесей и обеспечить нормальную работу внутренних компонентов.
В холодной категории он может выполнять переключение рулонов при движении рулонов; В областях горнодобывающего механизма, инженерного оборудования и т. Д. Он также может справиться со сложными условиями труда и обеспечить стабильную работу оборудования. Это идеальный выбор для повышения эффективности и надежности промышленной передачи.

English











