Шинная муфта RSK-Omega Исключительная гибкость и большая компенсационная способность
Центральный компонент шинной муфты в форме омеги представляет собой цельнолитой кольцеобразный резиновый эластомер с профилем поперечного сечения в форме буквы Ω. Он напрямую соединяется с металлическими фланцами (полумуфтами) на обоих концах посредством болтов. Резиновое тело подвергается деформации сдвига, сжатия и растяжения во время передачи крутящего момента, тем самым выполняя множество функций.
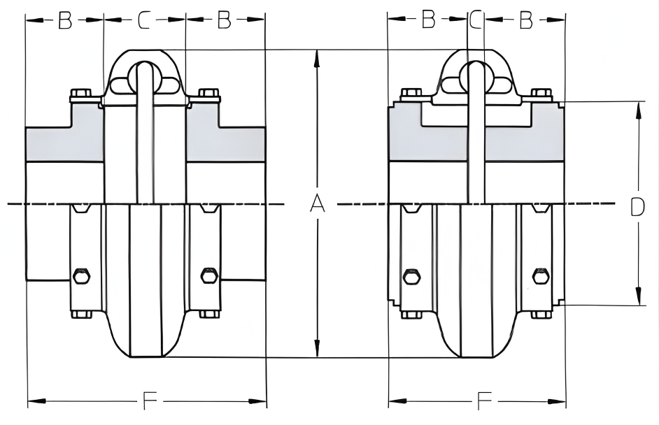
Два одинаковых металлических фланца: обычно изготавливаются из литой стали или алюминиевого сплава и имеют отверстия для болтов.
1. Базовая структура
Один резиновый эластомер ом-образной формы: обычно изготавливается из таких материалов, как натуральный каучук, полиуретан или неопрен, что обеспечивает высокую прочность и эластичность.
Болты и гайки: используются для зажима резинового корпуса между двумя фланцами. Болты с расширенными посадками иногда используются для обеспечения точности выравнивания.
Болты и гайки: используются для зажима резинового корпуса между двумя фланцами. Болты с расширенными посадками иногда используются для обеспечения точности выравнивания.
2. Ключевые характеристики
Исключительная гибкость и компенсационные возможности
Превосходная упругость при кручении: эффективно поглощает и изолирует сильные крутильные вибрации и ударные нагрузки, защищая как ведущую сторону (например, двигатель), так и ведомое оборудование.
Компенсация большого смещения: Обеспечивает очень большую компенсацию углового, радиального и осевого смещения, предъявляя минимальные требования к выравниванию при установке. Может адаптироваться к деформации, вызванной осадкой фундамента, тепловым расширением и т. д.
Смазка не требуется, простое обслуживание
Не содержит трущихся частей с относительным скольжением, не требует смазки и классифицируется как необслуживаемая муфта.
Электрическая изоляция и демпфирование
Резиновый корпус обеспечивает электрическую изоляцию, предотвращая коррозию вала током. В то же время внутреннее трение резины обеспечивает превосходные характеристики демпфирования и поглощения вибрации.
Простая структура, простая установка
Небольшое количество компонентов, простая сборка, обычно не требующая специальных инструментов.
3. Типичные области применения
Муфты Omega широко используются в следующих отраслях промышленности и оборудовании благодаря своим превосходным характеристикам.
Насосная промышленность: центробежные насосы, винтовые насосы, поршневые насосы и т. д.
Вентилятор: различные промышленные вентиляторы, вентиляторы с принудительной тягой и воздуходувки.
Компрессор: винтовой, центробежный компрессор.
Электроэнергетика: паровые турбины, генераторы, насосы питательной воды котлов.
Судостроительная отрасль: Судовые двигательные установки
Целлюлозно-бумажная промышленность: нефтеперерабатывающие машины, бумагоделательные машины.
Металлургия стали: прокатный стан, рольганг

English


















