RSK-FL-RBS водонепроницаемые эластичные штифты
Водонепроницаемое эластичное соединение штифта предназначена для суровых условий труда и является надежным выбором в области промышленной передачи. Его уникальная структура объединяет несколько преимуществ и обеспечивает твердую гарантию для стабильной работы различного механического оборудования.
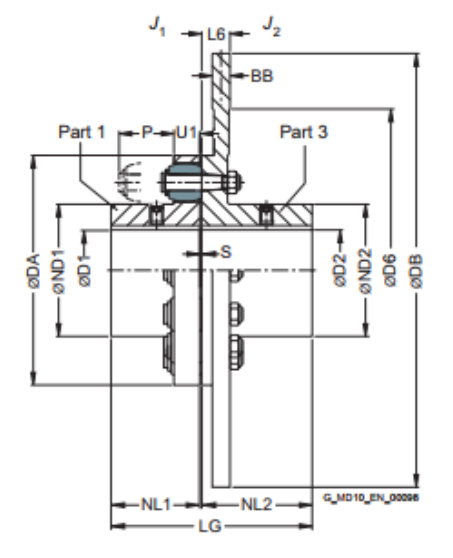
Соединение в основном состоит из двух полусвязей, эластичного штифта и водонепроницаемого уплотнения. Половина связана изготовлена из высококачественного чугуна HT20-40 или литой стали ZG35ⅱ точного литья. Отверстие для вала и клавиши нарисованы, чтобы обеспечить тесную посадку приводимого вала и стабильную и эффективную передачу крутящего момента. PIN-код изготовлен из материала MC Nylon B, который обладает хорошими самосмазывающими свойствами и не требует дополнительной смазки. Это экономит расходы и избегает загрязнения нефти в рабочей среде. В то же время он в определенной степени компенсирует смещение между двумя валами. Ключее водонепроницаемое уплотнительное устройство использует расширенные технологии и высококачественные герметизирующие материалы для эффективной блокировки вторжения воды и других примесей жидкости. Даже в влажной и водянистой среде это может гарантировать, что внутренние детали не подвергаются коррозии и поддерживают нормальную работу.
С точки зрения производительности, водонепроницаемое эластичное соединение штифта передает большой крутящий момент. При таком же требовании крутящего момента диаметр вращения меньше, чем некоторые подобные продукты. Он компактный и легкий, который может эффективно сохранить пространство установки. Он обладает превосходными осевыми, радиальными и угловыми возможностями компенсации компенсации, может адаптироваться к небольшому смещению оборудования во время эксплуатации, уменьшить дополнительное напряжение и износ, вызванные смещением, и продлить общий срок службы оборудования. Структура проста и разумна, а техническое обслуживание чрезвычайно удобно. Нейлоновый штифт может быть быстро заменен путем удаления перегородки, что значительно снижает затраты на техническое обслуживание и время простоя. Диапазон рабочих температур составляет - от 20 до 80 ℃, что подходит для рабочих случаев с частым вперед и обратным вращением и частым запусками. Он широко используется в водяных насосах, химическом оборудовании, морском оборудовании и других областях с высокими требованиями для водонепроницаемой производительности.

English












