RSK-FL-RFS Высокоэффективная эластичная шестерня для пропускания
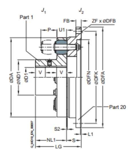
Высокоэффективная эластичная упругая шестерня для передачи является ключевым компонентом в области промышленной передачи, и его структурная конструкция является изысканной. Несколько контактов из высококачественных неметаллических материалов точно помещаются в соответствующие отверстия между двумя полупологами и внутренней поверхностью внешнего кольца, чтобы достичь стабильной связи между двумя половинами. При передаче крутящего момента, штифт играет основную роль и эффективно передает мощность от активного конца на приводной конец.
Соединение обладает отличной производительностью и имеет хорошую компенсацию за осевую, радиальную и угловую ось. Даже если между этими двумя осей существует определенное отклонение, оно может обеспечить стабильную передачу, эффективно уменьшить дополнительное напряжение, вызванное смещением оси оборудования, и продлить общий срок службы оборудования. При работе он работает гладко и надежно, без шумовых помех и не требует смазки, что не только экономит затраты на смазочные материалы, но также избегает загрязнения окружающей среды, вызванной смазкой. Это чрезвычайно удобно поддерживать. Вам нужно только удалить перегородку, чтобы легко заменить нейлоновый штифт, что значительно уменьшает рабочую нагрузку и время простоя.
Он имеет широкий спектр применений и подходит для средних и крупных сценариев передачи электроэнергии, таких как крупные системы передачи оборудования в металлургии, добыче полезных ископаемых, производства машин и других отраслей промышленности. В этих областях он может передавать питание стабильно и эффективно, помогая оборудованию работать непрерывно и стабильно.

English












