RSK-FL-RWS с низкой температурной устойчивой к эластичной рукаве соединение
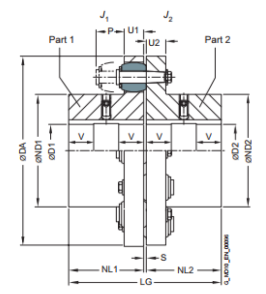
Наша низкотемпературная устойчивая к устойчивому соединению штифта рукава предназначена для суровых низкотемпературных сред. С точки зрения структуры, вывод со специальной низкотемпературной резиновой резиновой эластичной рукавом на одном конце установлен в фланцевых отверстиях двух полуполовину соединений для достижения надежного соединения. Эта конструкция не только имеет простую структуру, но и обеспечивает удобство установки и технического обслуживания. При замене эластичной рукава нет необходимости перемещать половину связи и главную машину, которая значительно экономит время на техническом обслуживании и затраты на рабочую силу.
С точки зрения производительности, связь имеет выдающиеся основные моменты. Он имеет превосходное низкотемпературное сопротивление, и диапазон рабочих температур может быть такой же, как - 20 ℃, и он все еще может работать в холодных средах. Он может эффективно компенсировать относительное смещение между двумя валами, имеет определенное снижение вибрации и буферизацию, может уменьшить вибрацию и воздействие во время работы оборудования и продлить срок службы оборудования. Более того, из-за использования неметаллических упругих элементов, во время рабочего процесса не требуется смазка, что снижает стоимость использования и сложность технического обслуживания.
Эта связь имеет широкий диапазон сценариев применения и подходит для систем передачи средней и высокоскоростной вала с частыми вперед и обратными изменениями и частыми запусками. Обычно используется в машинах, текстильной технике, транспортном оборудовании, легком промышленном механизме, печатном механизме и других полях, а также в системах передачи водяных насосов, вентиляторов, компрессоров и другого оборудования, обеспечивая стабильную и эффективную поддержку электропередачи для различных промышленных производства.

English












